德國BD焊接式不銹鋼壓力傳感器
傳感器(英文名稱:transducer/sensor)是一種檢測裝置,能感受到被測量的信息,并能將感受到的信息,按一定規律變換成為電信號或其他所需形式的信息輸出,以滿足信息的傳輸、處理、存儲、顯示、記錄和控制等要求。
傳感器的特點包括:微型化、數字化、智能化、多功能化、系統化、網絡化。它是實現自動檢測和自動控制的*要環節。傳感器的存在和發展,讓物體有了觸覺、味覺和嗅覺等感官,讓物體慢慢變得活了起來。通常根據其基本感知功能分為熱敏元件、光敏元件、氣敏元件、力敏元件、磁敏元件、濕敏元件、聲敏元件、放射線敏感元件、色敏元件和味敏元件等十大類。
人們為了從外界獲取信息,必須借助于感覺器官。
而單靠人們自身的感覺器官,在研究自然現象和規律以及生產活動中它們的功能就遠遠不夠了。為適應這種情況,就需要傳感器。因此可以說,傳感器是人類五官的延長,又稱之為電五官。
新技術革命的到來,**開始進入信息時代。在利用信息的過程中,*先要解決的就是要獲取準確可靠的信息,而傳感器是獲取自然和生產領域中信息的主要途徑與手段。
在現代工業生產尤其是自動化生產過程中,要用各種傳感器來監視和控制生產過程中的各個參數,使設備工作在正常狀態或zui佳狀態,并使產品達到zui好的質量。因此可以說,沒有眾多的優良的傳感器,現代化生產也就失去了基礎。
在基礎學科研究中,傳感器更具有突出的地位。現代科學技術的發展,進入了許多新領域:例如在宏觀上要觀察上千光年的茫茫**,微觀上要觀察小到fm的粒子**,縱向上要觀察長達數十萬年的天體演化,短到 s的瞬間反應。此外,還出現了對深化物質認識、開拓新能源、新材料等具有重要作用的各種*端技術研究,如超高溫、超低溫、超高壓、超高真空、超強磁場、超弱磁場等等。
顯然,要獲取大量人類感官無法直接獲取的信息,沒有相適應的傳感器是不可能的。許多基礎科學研究的障礙,*先就在于對象信息的獲取存在困難,而一些新機理和高靈敏度的檢測傳感器的出現,往往會導致該領域內的突破。一些傳感器的發展,往往是一些邊緣學科開發的先驅。
傳感器早已滲透到諸如工業生產、**開發、海洋探測、環境保護、資源調查、醫學診斷、生物工程、甚至文物保護等等*其之泛的領域。可以毫不夸張地說,從茫茫的太空,到浩瀚的海洋,以至各種復雜的工程系統,幾乎每一個現代化項目,都離不開各種各樣的傳感器。
由此可見,傳感器技術在發展經濟、推動社會進步方面的重要作用,是十分明顯的。**各國都十分重視這一領域的發展。相信不久的將來,傳感器技術將會出現一個飛躍,達到與其重要地位相稱的新水平。
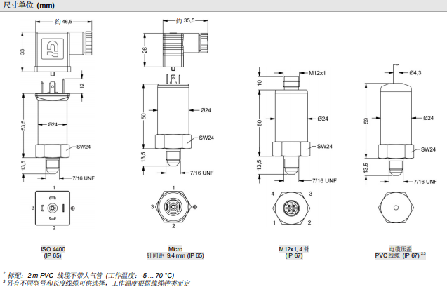
17.609 G傳感器技術參數:



資料下載
視頻介紹